Shelly Wave Plug UK LR

Device identification
Device: Shelly Wave Plug UK
EU Part number/Ordering Code: QLPL-001X12UK
Z-Wave Product type ID: 0x0002
Z-Wave Product ID: 0x0089
Z-Wave Manufacturer: Shelly Europe
Z-Wave Manufacturer ID: 0x0460
This device supports both Z-Wave® (mesh) and Z-Wave® Long Range (star) network topologies. During the device inclusion process, you must select one type of network topology.
Bellow sections marked with * are valid only for Z-Wave® mesh network inclusion and are not applicable for Z-Wave® Long Range star network inclusion.
Terminology
Short description
The Device is a smart plug/outlet with power measurement and overheating protection, which allows remote control of electrical appliances through a mobile phone, tablet, PC, or home automation system.
Use cases
Basic Functions:
SmartStart
Assocciations
Working as Z-Wave repeater
Switching On/Off connected load
Automatically switching On/Off connected load
Measuring Power consumption (W) and Energy consumption (kWh) of all connected loads.
OTA - Over-The-Air firmware update
Operational Instructions:
Main applications
Residential
MDU (Multi Dwelling Units - apartments, condominiums, hotels, etc.)
Light commercial (small office buildings, small retail/restaurant/gas station, etc.)
Government/municipal
University college
Integrations
Shelly Wave devices are developed on the world's leading technology for smart homes – Z-Wave.
This means Shelly Wave works with all certified gateways supporting Z-Wave communication protocol.
To make sure the functions of Shelly Wave products are supported on your gateway, we are regularly executing compatibility tests of our devices with different Z-Wave gateways.
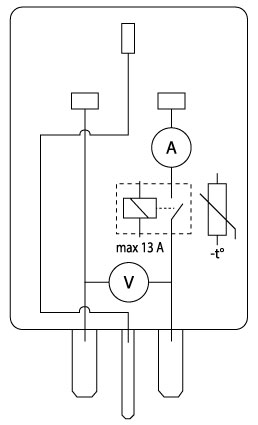
Simplified Internal Schematics

Device electrical interfaces
Inputs
1 BS 1363 (Type-G) plug
Outputs
1 BS 1363 (Type-G) socket
Connectivity
Z-Wave: Unsecure, S0 Security, S2 Unauthenticated Security, S2 Authenticated Security
Safety features
Supported load types
Resistive (incandescent bulbs, heating devices)
Capacitive (capacitor banks, electronic equipment, motor start capacitors)
Inductive (LED light drivers, transformers, fans, refrigerators, air-conditioners)
User interface
S button and operating modes
Settings mode:
Is required to start the desired procedure, for example: adding (inclusion (*not available for Long Range devices)), removing (exclusion), factory reset, etc. It has a limited operating time. After completing the procedure in Setting mode, the Device automatically switches to Normal mode.
-
Entering Setting mode:
Press and hold the S button on the Device until the LED turns solid blue.
An additional quick press on the S button changes the menu in an infinite loop.
The Menu LED status has a timeout of 10s before entering again into Normal mode.
S button’s functions
Manually adding the Device to a Z-Wave network (*not available for Long Range inclusion)
Manually removing the Device from a Z-Wave network
Factory Reset the Device
Switch the load On/Off
LED Signalisation
LED blinking modes
Technical Specifications
Power supply |
230 V AC ±10 % , 50/60 Hz |
|
Power consumption |
< 0.7 W |
|
Power measurement [W] |
Yes |
|
Max switching voltage AC |
260 V |
|
Max switching current AC |
13 A |
|
Overheating protection |
Yes |
|
Overcurrent protection |
Yes |
|
Overvoltage protection |
Yes |
|
Long range network |
Distance (depends on local condition) |
Up to 80 m indoors (262 ft.) or up to 1000 m outdoors (3281 ft.) |
Z-Wave® repeater |
No |
|
Z-Wave® frequency bands |
864.0 MHz |
|
Mesh network |
Distance (depends on local condition) |
Up to 40 m indoors (131 ft.) |
Z-Wave® repeater |
Yes |
|
Z-Wave® frequency bands |
868.4 MHz |
|
CPU |
Z-Wave® S800 |
|
Maximum radio frequency power transmitted in frequency band(s) |
< 25 mW |
|
Size (H x W x D) |
60x60x56 ± 0.5 mm / 2.36x2.36x2.20 ± 0.02 in |
|
Weight |
74 ±1 g / 2.6 ±0.04 oz |
|
Compatible sockets |
BS 1363 (Type-G) |
|
Compatible plugs |
BS 1363 (Type-G) |
|
Shell material |
Plastic |
|
Color |
White |
|
Ambient temperature |
-20°C to 40°C / -5°F to 105°F |
|
Humidity |
30% to 70% RH |
|
Max. altitude |
2000 m / 6562 ft. |
|
Plug UK description

A: Plug
B: S button
C: Socket
D: LED indication ring
Insert the Device into a power socket without an appliance/load connected to it. Then you can now plug an appliance into the Device socket. To power the appliance on press briefly the S button. The LED will turn green if load is 0W, yellow if load is between >0W and 85% of the max. load and red if load is >85% of the max. load.
About Z-Wave®
Adding and removing the Device to a Z-Wave® network
Z-Wave® Security and Device Specific Key (DSK)
Setting Parameters
Command Classes
Notifications Command Class
Associations
Disclaimers and Warnings
READ BEFORE USE
This document contains important technical and safety information about the Device, its safe use and installation.
Z-Wave® Important disclaimer
Z-wave® wireless communication may not always be 100% reliable. This Device should not be used in situations in which life and/or valuables are solely dependent on its functioning. If the Device is not recognized by your gateway or appears incorrectly, you may need to change the Device type manually and ensure that your gateway supports Z-wave Plus® multi-channel devices and Z-wave® Long Range capability in case of Long Range devices.
Compatibility
Wave Plug Uk |
functions - reports |
|||||
Gateway |
On/Off |
W |
kWh |
V |
A |
Notes |
Home Assistant |
|
|
|
|
|
|
Fibaro HC 3 / Z-Wave engine 3 |
|
|
|
|
|
|
Homey |
|
|
|
❌ |
❌ |
*1 |
Homee Cube Gen 7 |
|
|
|
|
|
|
Homee Cube Gen 5 |
|
|
|
|
|
|
Smart Things |
|
|
|
❌ |
❌ |
|
Cozify |
||||||
Jeedom |
|
|
|
|
|
*2 |
Notes |
*1 The gateway does not have a placeholder for the V and A values. |
|||||
Function |
Meaning / tested |
|---|---|
On/Off |
if device respond to the app UI On/Off command |
SW On/Off |
if device reports On/Off changes by SW input |
Dimming |
if device respond to app UI dimming command |
SW Dimming |
if device report dimming state change by SW input |
Watts |
if Watts are reported (unsolicited) |
kWh |
if kWh are reported (unsolicited) |
Up/Down |
if device respond to the app UI Up/Down command |
SW Up/Down |
if device reports Up/Down changes by SW input |
Slats |
if the slats respond to the app UI command |
SW Slats |
if the slats report the changes done by SW |
D control |
detached mode if device reports scene commands single press, double press,… |
D Binary |
detached mode if the device reports binary On/Off by SW input |
Sensor # |
Is the sensor report visualized in the gateway, type of sensor in the notes. |
Legend | ||||
Symbol |
State |
|||
|
Working / Possible |
|||
❌ |
Not Working / Not Possible |
|||
P |
Partially |
|||
N/T |
Not Tested |
|||
TBD |
To be done |
|||
Compliance
Shelly Wave Plug UK multilingual EU declaration of conformity.pdf
Shelly Wave Plug UK - UK PSTI ACT Statement of compliance.pdf
Declaration of Conformity
Hereby, Shelly Europe Ltd. declares that the radio equipment type Shelly Wave Plug UK is in compliance with Directive 2014/53/ EU, 2014/35/EU, 2014/30/EU, 2011/65/EU. The full text of the EU declaration of Conformity is available at the following internet address: https://shelly.link/ShellyWavePlugUK_LR-DoC

.png?inst-v=5bf62ed3-a19e-46f0-82f2-f0643494e2e9)
Disposal & Recycling

Do not dispose of the product in household waste. Recycle the product to prevent environmental and health damage and to promote resource conservation. Dispose of the product at an appropriate waste collection point at your own responsibility.
Resellers, from which the Device was purchased are required to accept Waste Electrical and Electronic Equipment (WEEE) free of charge for proper disposal.
Some electronic products may store personal data. The user is responsible for deleting this data before disposing of the Device. For deletion reset the Device to its factory settings.
Printed User Guide
Shelly_Wave_Plug_UK_LR_V1_F2519-print.pdf
Web links
Troubleshooting
Gateway guides
You may find useful guides on gateways in the Z-Wave Z-Wave Gateways
Firmware
Latest firmware updates:
Stay Updated with the Firmware Releases for Shelly Wave Devices
all firmware updates:
GitHub - Shelly Wave FW OTA files
Integration
All shelly devices:
Discover Compatible Gateways for our Devices
Webpages
Product page
Manufacturer
Shelly Europe Ltd.
Address: Shelly Europe ltd, 51 Cherni Vrah Blvd., building 3, floor 2 and 3, Lozenetz Region, Sofia 1407, Republic of Bulgaria
Tel.: +359 2 988 7435
E-mail: zwave-shelly@shelly.cloud
Support: https://support.shelly.cloud/
Changes in the contact data are published by the Manufacturer at the official website: https://www.shelly.com
Legal Notice
This User Guide is subject to change and improvement without notice. Shelly Wave reserves all rights to revise and update all documentation without any obligation to notify any individual or entity.













