Wave Plug UK

Wave Plug UK

Note: The product line known as "Shelly Qubino Wave" will now be referred to as "Shelly Wave". This name change will not impact the functionality of any devices. The only modification will be the use of the new name in all future documentation.

Device: Wave Plug UK

EU Part number/Ordering Code: QNPL-001X12UK
Z-Wave Product type ID: 0x0002
Z-Wave Product ID: 0x0089
Z-Wave Manufacturer: Shelly Europe Ltd.
Z-Wave Manufacturer ID: 0x0460

Terminology

  • Device - In this document, the term “Device” is used to refer to the Shelly Qubino device that is a subject of this guide.

  • Gateway - A Z-Wave® gateway, also referred to as a Z-Wave® controller, Z-Wave® main controller, Z-Wave® primary controller, or Z-Wave® hub, etc., is a device that serves as a central hub for a Z-Wave® smart home network. The term “gateway” is used in this document.

  • S button - The Z-Wave® Service button, located on Z-Wave® devices and is used for various functions such as adding (inclusion), removing (exclusion), and resetting the device to its factory default settings. The term "S button" is used in this document.

Short description

The Wave Plug UK (Device) is a smart plug/outlet with power measurement and overheating protection, which allows remote control of electric appliances through a mobile phone, tablet, PC, or home automation system.

Main applications

  • Residential

  • MDU (Multi Dwelling Units - apartments, condominiums, hotels, etc.)

  • Light commercial (small office buildings, small retail/restaurant/gas station, etc.)

  • Government/municipal

  • University/college

Integrations

Qubino devices are developed on the world's leading technology for smart homes – Z-Wave.

This means Qubino works with all certified gateways supporting Z-Wave communication protocol.

To make sure the functions of Qubino products are supported on your gateway, we are regularly executing compatibility tests of our devices with different Z-Wave gateways.

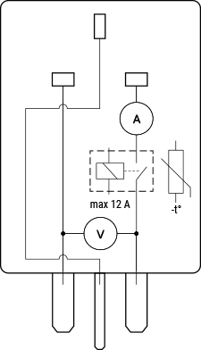
Simplified internal schematics

Device electrical interfaces

Inputs

  • 1 BS 1363 (Type-G) plug

Outputs

  • 1 BS 1363 (Type-G) socket

Connectivity

Z-Wave - Unsecure, S0 Security, S2 Unauthenticated Security, S2 Authenticated Security

Safety features

Overheat protection

  • switch off its own relay

  • sends the Notification Report to the Gateway (Overheat detected)

  • the led lights react as specified above (check blinking mode for Overheat detected)

Any of next activities reset this alarm: power cycle, Remotely Device reboot (by Parameter No. 117), short press on S button.

NOTE: The Overheat protection is always active and cannot be disabled.
Additional description above under chapter Notification for Overheat detected.

Over-current Protection

Device has internal Over-current protection. If the current exceeds 16A+10% (Max switching current +10%) for more than 5s, the Device will:

  • switch off its own relay

  • sends the Notification Report to the Gateway (Over-current detected)

  • the led lights react as specified above (check blinking mode for Over-current detected)

Any of next activities reset this alarm: power cycle, Remotely Device reboot (by Parameter No. 117).

NOTE: The Over-current protection is always active and cannot be disabled.
Additional description above under chapter Notification for Over-current detected.

Over-voltage Protection

Device has internal Over-voltage protection. This is valid for standard power supply voltage 230 V AC. If the voltage exceeds 240 V AC+15% (278 V AC) for more than 5s, the Device will:

  • switch off its own relay

  • sends the Notification Report to the Gateway (Over-voltage detected)

  • the led lights react as specified above (check blinking mode for Over-voltage detected)

Any of next activities reset this alarm: power cycle, Remotely Device reboot (by Parameter No. 117), short press on S button.

NOTE: The Over-current protection is always active and cannot be disabled.
Additional description above under chapter Notification for Over-voltage detected.

Supported load types

  • Resistive (incandescent bulbs, heating devices)

  • Capacitive (capacitor banks, electronic equipment, motor start capacitors)

  • Inductive with RC Snubber (LED light drivers, transformers, fans, refrigerators, air-conditioners)

User interface

S button and operating modes

  1. Normal mode

  2. Setting in progress mode

  3. Setting mode (with S button)

    • Settings mode is required to start desired procedure for example: adding (inclusion), removing (exclusion), factory reset etc. It has a limited time of operation. After the procedure in Setting mode is concluded, the Device goes automatically into Normal mode.

    • Entering to Setting mode:

      • Quickly press and hold the S button on the Device until the LED turns solid blue

      • An additional quick press on the S button means menu change in infinite loop

      • Menu LED status has a timeout of 10s before entering again into Normal state

S button’s functions

  • Manually adding the Device to a Z-Wave network

  • Manually removing the Device from a Z-Wave network

  • Factory Reset the Device

LED Signalisation

Click to see LED signalisation
Normal mode

Removed/Excluded

The LED will be blinking blue in Mode 1 for 10 sec after every power cycle.

Added/Included

The LED will be blinking green in Mode 1 for 10 sec after every power cycle.

Relay is switched ON and power consumption is 0W (no power consumption)

The LED will be green solid on all the time starting 11 sec after every power cycle.

Relay is switched ON and power consumption is between >0W and 85% of Max Power consumption

The LED will be yellow solid on all the time starting 11 sec after every power cycle.

Relay is switched ON and power consumption is >85% of Max Power consumption

The LED will be red solid on all the time starting 11 sec after every power cycle.

Settings in progress

Factory reset and reboot

During factory reset, the LED will turn solid green for approx. 1sec, then the blue and red LED will be blinking 0,1s On / 0,1s Off for about 2sec.

Adding / Removing

During adding or removing, the LED will be blinking blue in Mode 2.

Firmware updating OTA

During the OTA update, the LED will be blinking blue and red in Mode 2.

Settings mode with S button

Adding / Removing menu selected
When the menu is selected the LED will be on blue, for maximum of 10 seconds.

Adding / Removing menu - while pressing S- button - Add/Remove process selected
When the menu is executing the LED will be blinking blue in Mode 3.

Factory reset menu selected
When the menu is selected the LED will be on red, for maximum of 10 seconds.

Factory reset - while pressing S - button - Factory reset process selected
When the menu is executing the LED will be blinking red in Mode 3.

Alarm Mode

Over-current detected O

The LED will be blinking red in Mode 4

Mode 4 / 1x LED 0,2s On / 0,2s Off + 2s Off repeating sequence

Overheat detected

The LED will be blinking red in Mode 4

Mode 4 / 2x (LED 0,2s On / 0,2s Off) + 2s Off repeating sequence

Over-voltage detected

The LED will be blinking red in Mode 4

Mode 4 / 7x (LED 0,2s On / 0,2s Off) + 2s Off repeating sequence

Specifications

Power supply

230 V ±10 % , 50/60 Hz

Power consumption

< 0.7 W

Power measurement [W]

Yes

Max switching voltage AC

260 V

Max switching current AC

13 A

Overheating protection

Yes

Overcurrent protection

Yes

Overvoltage protection

Yes

Distance

up to 40 m indoors (131 ft.)

Z-Wave repeater:

Yes

CPU

Z-Wave S800

Z-Wave frequency band

868,4 MHz

Maximum radio frequency power transmitted in frequency bend(s)

< 25 mW

Size (H x W x D)

60x60x56 ±0.5 mm / 2.36x2.36x2.20 ±0.02 in

Weight

74 ±1 g / 2.6 ±0.04 oz

Mounting

Wall socket

Shell material

Plastic

Color

White

Ambient temperature

-20°C to 40°C / -5°F to 105°F

Humidity

30% to 70% RH

Max. altitude

2000 m / 6562 ft.

Plug description

PlugUK.png

Legend

Letter

A

Plug - BS 1363 (Type-G)

B

S Button

C

Socket - 1 BS 1363 (Type-G)

D

LED indication

About Z-Wave

Adding the Device to a Z-Wave® network (inclusion)

Click to see how to add, remove and reset the Device

Note! All Device outputs (O, O1, O2, etc. - depending on the Device type) will turn the load 1s on/1s off /1s on/1s off if the Device is successfully added to/removed from a Z-Wave® network.

Note! In case of Security 2 (S2) adding (inclusion), a dialog will appear asking you to enter the corresponding PIN Code (5 underlined digits) that are written on the Z-Wave® DSK label on the side of the Device and on the Z-Wave® DSK label inserted in the packaging.
IMPORTANT: The PIN Code must not be lost.

SmartStart adding (inclusion)

SmartStart enabled products can be added into a Z-Wave® network by scanning the Z-Wave® QR Code present on the Device with a gateway providing SmartStart inclusion. No further action is required, and the SmartStart device will be added automatically within 10 minutes of being switched on in the network vicinity.

  1. With the gateway application scan the QR code on the Device label and add the Security 2 (S2) Device Specific Key (DSK) to the provisioning list in the gateway.

  2. Connect the Device to a power supply.

  3. Check if the blue LED is blinking in Mode 1. If so, the Device is not added to a Z-Wave® network.

  4. Adding will be initiated automatically within a few seconds after connecting the Device to a power supply, and the Device will be added to a Z-Wave® network automatically.

  5. The blue LED will be blinking in Mode 2 during the adding process.

  6. The green LED will be blinking in Mode 1 if the Device is successfully added to a Z-Wave® network.

Adding (inclusion) with the S button

  1. Connect the Device to a power supply.

  2. Check if the blue LED is blinking in Mode 1. If so, the Device is not added to a Z-Wave® network.

  3. Enable add/remove mode on the gateway.

  4. To enter the Setting mode, quickly press and hold the S button on the Device until the LED turns solid blue.

  5. Quickly release and then press and hold (> 2s) the S button on the Device until the blue LED starts blinking in Mode 3. Releasing the S button will start the Learn mode.

  6. The blue LED will be blinking in Mode 2 during the adding process.

  7. The green LED will be blinking in Mode 1 if the Device is successfully added to a Z-Wave® network.

Note! In Setting mode, the Device has a timeout of 10s before entering again into Normal mode.

Removing the Device from a Z-Wave® network (exclusion)

Note! The Device will be removed from your Z-Wave® network, but any custom configuration parameters will not be erased.

Note! All Device outputs (O, O1, O2, etc. - depending on the Device type) will turn the load 1s on/1s off /1s on/1s off if the Device is successfully added to/removed from a Z-Wave® network.

Removing (exclusion) with the S button

  1. Connect the Device to a power supply.

  2. Check if the green LED is blinking in Mode 1. If so, the Device is added to a Z-Wave® network.

  3. Enable add/remove mode on the gateway.

  4. To enter the Setting mode, quickly press and hold the S button on the Device until the LED turns solid blue.

  5. Quickly release and then press and hold (> 2s) the S button on the Device until the blue LED starts blinking in Mode 3. Releasing the S button will start the LEARN MODE.

  6. The blue LED will be blinking in Mode 2 during the removing process.

  7. The blue LED will be blinking in Mode 1 if the Device is successfully removed from a Z-Wave® network.

Note! In Setting mode, the Device has a timeout of 10s before entering again into Normal mode.

Factory reset

Factory reset general

After Factory reset, all custom parameters and stored values (kWh, associations, routing, etc.) will return to their default state. HOME ID and NODE ID assigned to the Device will be deleted. Use this reset procedure only when the gateway is missing or otherwise inoperable.

Factory reset with the S button

Note! Factory reset with the S button is possible anytime.

  1. To enter the Setting mode, quickly press and hold the S button on the Device until the LED turns solid blue.

  2. Press the S button multiple times until the LED turns solid red.

  3. Press and hold (> 2s) S button on the Device until the red LED starts blinking in Mode 3. Releasing the S button will start the factory reset.

  4. During factory reset, the LED will turn solid green for about 1s, then the blue and red LED will start blinking in Mode 3 for approx. 2s.

  5. The blue LED will be blinking in Mode 1 if the Factory reset is successful.

Factory reset remotely with parameter with the gateway

Factory reset can be done remotely by settings in Parameter No. 120

Z-Wave Security and Device Specific Key (DSK)

Click to see about the Security and the DSK

The Device supports the latest Security 2 (S2) feature. S2 is handled by the Strong AES 128 Encryption protocol, which means that the S2 makes Z-Wave® the most secure IoT (Internet of Things) security platform out there. To fully utilize the product and its Security 2 feature, a Security 2-enabled Z-Wave® gateway must be used.

Authenticated Control

· Out-Of-Band DSK for inclusion

· May be used by most implementations

The Device also supports Security 2 Authenticated, Unauthenticated, and Unsecure inclusion.

Note! When adding the Device to a Z-Wave® network with a gateway supporting Security 2 (S2), the PIN Code of the Z-Wave® Device Specific Key (DSK) is required. The unique DSK code is printed on the DSK label on the side of the Device and a copy is inserted in the packaging, which must not be lost. Do not remove the DSK label from the product. As a backup measure, use the label in the packaging.

The first five digits of the key are highlighted or underlined to help the user identify the PIN Code part of the DSK text. The DSK is additionally represented with a QR Code as shown on the image.

DSK label and QR code (example)

A joining node requesting to join the S2 Access Control Class or the S2 Authenticated Class will obfuscate its Public Key by setting the bytes 1..2 to zeros (0x00) before transferring its key via RF.

The DSK may be used for out-of-band (OOB) authentication.

  • The including gateway may use a QR code scanning device to read the entire DSK of the joining device and match it with the obfuscated public key received via RF from the joining device.

Z-Wave Parameters

Click to see the Parameters

Parameter No. 17 - Restore the O (O1) state after a power failure

This parameter determines if the on/off status is saved and restored for the load connected to O (O1) after a power failure.

Values size: 1 Byte

Default value: 0

Values & descriptions:

  • 0 - Device saves last on/off status and restores it after a power failure

  • 1 - Device does not save on/off status and does not restore it after a power failure, it remains off

Parameter No. 19 - O (O1) Auto OFF with timer

If the load O (O1) is ON, you can schedule it to turn OFF automatically after the period of time defined in this parameter. The timer resets to zero each time the Device receives an ON command, either remotely (from the gateway or associated device) or locally from the switch.

Values size: 2 Byte

Default value: 0

Values & their descriptions:

  • 0 - Auto OFF Disabled

  • 1 - 32535 = 1 - 32535 seconds (or milliseconds – see Parameter no. 25. Auto OFF timer enabled for a given amount of seconds (or milliseconds) resolution 100ms

Parameter No. 20 - O (O1) Auto ON with timer

If the load O (O1) is OFF, you can schedule it to turn ON automatically after the period of time defined in this parameter. The timer resets to zero each time the Device receives an OFF command, either remotely (from the gateway or associated device) or locally from the switch.

Values size: 2 Byte

Default value: 0

Values & their descriptions:

  • 0 - Auto ON Disabled

  • 1 - 32535 = 1 - 32535 seconds (or milliseconds – see Parameter No. 25. Auto ON timer enabled for a given amount of seconds (or milliseconds) resolution 100ms

Parameter No. 23 - O (O1) contact type - NO/NC

The set value determines the relay contact type for output O (O1) . The relay contact type can be normally open (NO) or normally closed (NC).

Values size: 1 Byte

Default value: 0

Values & descriptions:

  • 0 - NO

  • 1 - NC

Relay logic:

Par-NO/NC

Command (switch, Z-Wave…)

Device output state

NO (0)

OFF

OFF (0 V)

NO (0)

ON

ON (230 V)

NC (1)

OFF

ON (230 V)

NC (1)

ON

OFF (0 V)

Parameter No. 25 - Set timer units to s or ms for O (O1)

Set the timer units to seconds or milliseconds. Choose if you want to set the timer in seconds or milliseconds in Parameters No. 19, 20.

Values size: 1 Byte

Default value: 0

Values & descriptions:

  • 0 – timer set in seconds

  • 1 – timer set in milliseconds

Parameter No. 36 - O (O1) Power report on change - percentage

This parameter determines the minimum change in consumed power that will result in sending a new report to the gateway.

Values size: 1 Byte

Default value: 50

Values & descriptions:

  • 0 - reports are disabled

  • 1-100 (1-100%) - change in power

NOTE: Wave Shutter has different endpoint configurations. Endpoint 1 as a shutter and Endpoint 2 as a venetian blind. Power reports only by Endpoint 1.
NOTE: When the Device reports the power consumption (W), it will also automatically report the voltage (V) and current (A).
NOTE: Regardless of the power consumption change in percentage, the report will not be sent more frequently than defined by Parameter No. 39.
NOTE: Wave Shutter measures the power consumption on O1 and O2, but as only O1 or only O2 can be active at a time (never both at the same time), the Wave Shutter reports only one value to the gateway, i.e. the sum of the power consumption of O1 and O2, the same for the current.

Parameter No. 39 - Minimum time between reports (O) O1

This parameter determines the minimum time that must elapse before a new power report on O (O1) is sent to the gateway.

Values size: 1 Byte

Default value: 30

Values & descriptions:

  • 0 - reports are disabled

  • 1-120 (1-120s) - report interval

NOTE: This Parameter is in relation to Parameter No. 36.
NOTE: Setting the value to less than 30s can cause the Z-Wave network congestion state (slow Device response and decreased network stability).
NOTE: Wave Shutter measures the power consumption on O1 and O2, but as only O1 or only O2 can be active at a time (never both at the same time), the Wave Shutter reports only one value to the gateway, i.e. the sum of the power consumption of O1 and O2, the same for the current.

Parameter No. 91 - Water Alarm

This parameter determines which alarm frames the Device should respond to and how. The parameters consist of 4 bytes, the three most significant bytes are set according to the official Z-Wave protocol specification.

Values size: 4 Byte

Default value: 0

Values & descriptions:

  • 0 no action

  • 1 open relay / Open blinds (Up position)

  • 2 close relay / Close blinds (Down position)

Parameter No. 92 - Smoke Alarm

This parameter determines which alarm frames the Device should respond to and how. The parameters consist of 4 bytes, the three most significant bytes are set according to the official Z-Wave protocol specification.

Values size: 4 Byte

Default value: 0

Values & descriptions:

  • 0 no action

  • 1 open relay / Open blinds (Up position)

  • 2 close relay / Close blinds (Down position)

Parameter No. 93 - CO Alarm

This parameter determines which alarm frames the Device should respond to and how. The parameters consist of 4 bytes, the three most significant bytes are set according to the official Z-Wave protocol specification.

Values size: 4 Byte

Default value: 0

Values & descriptions:

  • 0 no action

  • 1 open relay / Open blinds (Up position)

  • 2 close relay / Close blinds (Down position)

Parameter No. 94 - Heat Alarm

This parameter determines which alarm frames the Device should respond to and how. The parameters consist of 4 bytes, the three most significant bytes are set according to the official Z-Wave protocol specification.

Values size: 4 Byte

Default value: 0

Values & descriptions:

  • 0 no action

  • 1 open relay / Open blinds (Up position)

  • 2 close relay / Close blinds (Down position)

Parameter No. 105 - LED Signalisation intensity

In Wave 1, Wave 1PM and Wave 2PM, this parameter will be implemented in 2024. This parameter determines the intensity of the LED on the Device. Some Devices have RGB LEDs and some have Blue/Red LEDs, but all are dimmable.

Values size: 1 Byte

Default value: 100

Values & descriptions: 0-100 (0-100%, every 1%)

Parameter No. 117 - Remote Device reboot

This parameter enable restarting or rebooting the Device without physical intervention. Use this parameter only for troubleshooting scope. After device reboot value will be set to default

Values size: 1 Byte

Default value: 0

Values & descriptions:

  • 0 - function inactive

  • 1 - Remote device reboot

Parameter No. 120 - Factory Reset

Reset to factory default settings and removed from the Z-Wave network.

Values size: 4 Byte

Default value: 0

Values & descriptions:

  • 0 - Don’t do Factory reset

  • 1431655765 - Do the Factory reset (hex 0x55555555)

Parameter No. 201 - Serial Number 1

This parameter contains the serial number of the Device.

NOTE: This parameter cannot be changed by the user.

Values size: 4 Byte

Default value: 2147483647

Values & descriptions:

  • 0 - 2147483647

Parameter No. 202 - Serial Number 2

This parameter contains the serial number of the Device.

NOTE: This parameter cannot be changed by the user.

Values size: 4 Byte

Default value: 2147483647

Values & descriptions:

  • 0 - 2147483647

Parameter No. 203 - Serial Number 3

This parameter contains the serial number of the Device.

NOTE: This parameter cannot be changed by the user.

Values size: 4 Byte

Default value: 2147483647

Values & descriptions:

  • 0 - 2147483647

Z-Wave Command Class

Click to see the Command Classes
  1. ASSOCIATION_V2 [S0, S2]*

  2. ASSOCIATION_GRP_INFO_V3 [S0, S2]*

  3. BASIC_V2 [S0, S2]*

  4. SWITCH_BINARY_V2 [S0, S2]*

  5. CONFIGURATION_V4 [S0, S2]*

  6. DEVICE_RESET_LOCALLY_V1 [S0, S2]*

  7. FIRMWARE_UPDATE_MD_V5 [S0, S2]*

  8. INDICATOR_V3 [S0, S2]*

  9. MANUFACTURER_SPECIFIC_V2 [S0, S2]*

  10. METER_V6 [S0, S2]*

  11. MULTI_CHANNEL_ASSOCIATION_V3 [S0, S2]*

  12. NOTIFICATION_V8 [S0, S2]*

  13. POWERLEVEL_V1 [S0, S2]*

  14. SECURITY_V1

  15. SECURITY_2_V1

  16. SUPERVISION_V1

  17. TRANSPORT_SERVICE_V2

  18. VERSION_V3 [S0, S2]*

  19. ZWAVEPLUS_INFO_V2

Z-Wave Notifications Command Class

Click to see the Notification Command Class

Overheat detected

Comment

Overheat detected

Z-Wave Notification Type Name

Heat Alarm

Z-Wave Notification type - Value

0x04

Z-Wave Notification type - Event

State

Z-Wave Notification Name

Overheat detected

Z-wave Notification Name - Value

0x02

Z-Wave Notification Name - Version

V2

Z-Wave Device specific

Yes

LED signalisation

Check LED signalisation table

Device reaction - Switch OFF all outputs and send notification

Yes

Action to restore - power cycle

Yes

Action to restore - Remotely Device reboot (by Parameter No. 117)

Yes

Action to restore - short press on S button

Yes

Over-current detected

Comment

Over-current detected O

Z-Wave Notification Type Name

Power management

Z-Wave Notification type - Value

0x08

Z-Wave Notification type - Event

State

Z-Wave Notification Name

Over-current detected

Z-wave Notification Name - Value

0x06

Z-Wave Notification Name - Version

V3

Z-Wave Device specific

Yes

LED signalisation

Check LED signalisation table

Device reaction - Switch OFF the output O and send a notification

Yes

Action to restore - power cycle

Yes

Action to restore - Remotely Device reboot (by Parameter No. 117)

Yes

Action to restore - short press on S button

Yes

Over-voltage detected

Comment

Over-voltage detected

Z-Wave Notification Type Name

Power management

Z-Wave Notification type - Value

0x08

Z-Wave Notification type - Event

State

Z-Wave Notification Name

Over-voltage detected

Z-wave Notification Name - Value

0x07

Z-Wave Notification Name - Version

V3

Z-Wave Device specific

Yes

LED signalisation

Check LED signalisation table

Device reaction - Switch OFF all outputs and send notification

Yes

Action to restore - power cycle

Yes

Action to restore - Remotely Device reboot (by Parameter No. 117)

Yes

Action to restore - short press on S button

Yes

Z-Wave Associations

Click to see the Assiciations

Associations are used for direct communication between the Device and other devices within your Z-Wave network without the need of the Z-Wave gateway.

Max. number of associated devices per group is 9. This value is fixed and can not be configured.
Each association group supports the association of up to 9 devices (nodes). To avoid network delays, we recommend limiting the amount of associated devices to no more than 5 per group. “Lifeline Group” is reserved solely for a gateway and hence only 1 node can be assigned.

Association group 1 – “Lifeline Group” reports the status of the Device status and allows to assign only one device (gateway by default); only 1 node is allowed. The following command classes are supported:

Root device

Association Group 1 - Lifeline

  • INDICATOR_REPORT : LED status

  • DEVICE_RESET_LOCALLY_NOTIFICATION : triggered upon request

  • SWITCH_BINARY_REPORT : status change report for output O (O1)

  • NOTIFICATION_REPORT : triggered on Overheat detected

  • NOTIFICATION_REPORT : triggered on Over-current detected

  • NOTIFICATION_REPORT : triggered on Over-voltage detected

  • METER_REPORT : triggered by the load power consumption of all connected loads to all outputs O (O1+O2+…) (according to the settings of Parameters from No. 36 to 43)

Association Group 2

Allowed nodes: 9
It is assigned to output O (O1) (uses Basic command class). Triggered by O (O1). Supports the following command classes:

  • BASIC_SET : set On / Off state at the associated device

Z-Wave Important disclaimer

Z-Wave® wireless communication may not always be 100% reliable. This Device should not be used in situations in which life and/or valuables are solely dependent on its functioning. If the Device is not recognised by your gateway or appears incorrectly, you may need to change the Device type manually and ensure that your gateway supports Z-Wave Plus™ multi-level devices.

Troubleshooting

For troubleshooting please visit our support portal: Support

Compatibility with gateways

Wave Plug Uk

functions - reports

Gateway

On/Off

W

kWh

V

A

Notes

Home Assistant

(tick)

(tick)

(tick)

(tick)

(tick)

Fibaro HC 3 / Z-Wave engine 3

(tick)

(tick)

(tick)

(tick)

(tick)

Homey

(tick)

(tick)

(tick)

*1

Homee Cube Gen 7

(tick)

(tick)

(tick)

(tick)

(tick)

Homee Cube Gen 5

(tick)

(tick)

(tick)

(tick)

(tick)

Smart Things

(tick)

(tick)

(tick)

*1
with the Shelly Wave edge driver

Cozify

Jeedom

(tick)

(tick)

(tick)

(tick)

(tick)

*2

Notes

*1 The gateway does not have a placeholder for the V and A values.
*2 the user must set some settings manually in order that the devices reports are used and visualised in the dashboard.

Function

Meaning / tested

On/Off

if device respond to the app UI On/Off command

SW On/Off

if device reports On/Off changes by SW input

Dimming

if device respond to app UI dimming command

SW Dimming

if device report dimming state change by SW input

Watts

if Watts are reported (unsolicited)

kWh

if kWh are reported (unsolicited)

Up/Down

if device respond to the app UI Up/Down command

SW Up/Down

if device reports Up/Down changes by SW input

Slats

if the slats respond to the app UI command

SW Slats

if the slats report the changes done by SW

D control

detached mode if device reports scene commands single press, double press,…

D Binary

detached mode if the device reports binary On/Off by SW input

Sensor #

Is the sensor report visualized in the gateway, type of sensor in the notes.

Legend

Symbol

State

(tick)

Working / Possible

Not Working / Not Possible

P

Partially

N/T

Not Tested

TBD

To be done

Gateway guides

You may find useful guides on gateways in the Z-Wave Shelly Knowledge base.

Compliance

Wave Plug UK multilingual EU declaration of conformity.pdf

Wave Plug UK UK PSTI ACT Statement of compliance.pdf

Printed User Guide

Wave_Plug_UK_EN_v3.pdf