Shelly Bypass For 1l 2l Gen3

Shelly Bypass for 1L/2L Gen3

Bypass for 1L-2L.png

Short description

Shelly Bypass for 1L/2L is required for the Shelly 1L or 2L Gen3 to operate without a Neutral wire at 240 V~, 50 Hz.

Compatibility:

Compatible with Shelly 1L Gen3 and Shelly 2L Gen3.

Main features

  • Perfect for retrofitting: The Device can be mounted directly behind the light source where space is limited. It connects to Neutral and Live wires.

  • No minimum load condition for other Shelly devices: The Device is a bypass, allowing the Shelly 1L and 2L Gen3 to function correctly in installations without a Neutral wire.

  • Compatibility: Designed and tested to ensure compatibility with a wide range of lights.

Main applications

  • Residential

  • MDU (Multi Dwelling Units - apartments, condominiums, hotels, etc.)

  • Light commercial (small office buildings, small retail/restaurant/gas station, etc.)

  • Government/municipal

  • University/college

Device electrical interfaces

Inputs

  • 2 line inputs on cables: 1 O (output coming from Shelly 1L/2L Gen3) and 1 N

Specifications

Quantity

Value

Physical

Size (HxWxD):

39x23x13 mm / 1.54x0.91x0.51 inch (without wires)

Weight:

8 g / 0.28 oz

Conductor cross section:

0.2 mm2 / 24 AWG stranded

Conductor stripped length:

0.5 mm / 0.02 in

Lenght of cables:

65±5 mm / 2.56±0.2 in

Mounting:

Inside Light Fixture

Shell material:

Plastic

Shell color:

Cyan

Cable color:

Black

Environmental

Ambient working temperature:

-20° C to 70° C / -5° F to 158° F

Humidity:

30 % to 70 % RH

Max. altitude:

2000 m / 6562 ft

Electrical

Power supply:

240 V~, 50 Hz

Power consumption:

< 4 W

Basic wiring diagrams

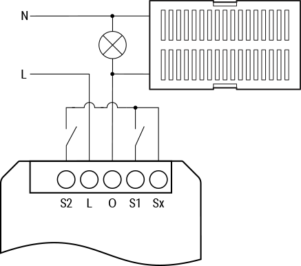
Bypass 1L wiring diagram.png
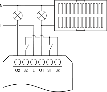
Bypass 2L wiring diagram.png

Terminals

Wires

L

Live (220-240 V~) terminal

L

Live (220-240 V~) wire

O, O1, O2

Load circuit output terminals

N

Neutral wire

S1, S2

Switch input terminals

Sx

Switch signal output terminal

Compliance

Shelly Bypass for 1L-2L Gen3 multilingual EU Declaration of Conformity.pdf

Printed user guide

Shelly Bypass for 1L-2L multilingual printed user and safety guide.pdf

Installation guides